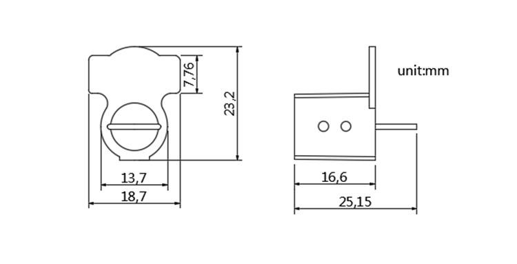
仪表封JCMS102


|
编号 |
JCMS101 |
JCMS102 |
JCMS106 |
JCMS107 |
JCMS103 |
JCMS105 |
JCMS104 |
JCMS201 |
|
锁体尺寸 |
22.5*22.8*12.2 |
25.15* 23.2*13.7 |
22.9*12.25*10 |
20.56*27.4*7.7 |
14.8*11.5 |
14*22.6*7.87 |
15*26*6 |
17.5*4.85 |
|
材质 |
PC+ABS |
|||||||
|
钢丝长度 |
20cmm |
|||||||
|
钢丝直径 |
0.68mm |
|||||||
|
制造工艺 |
注塑 |
|||||||
|
颜色 |
红、黄、橙、蓝、绿等 |
|||||||
|
打标方式 |
激光,烫印,其他 |
|||||||
|
打标内容 |
数字、字母、标志、条形码等 |
|||||||
|
用途 |
电表,水表,气罐,货柜,邮政等 |
|||||||
|
包装 |
100个/包,5000个/箱 ,可以按客户指定方式定制包装 |
|||||||
leyu乐鱼online(中国)位于山东与京津冀交接的枢纽之城德州市庆云县,公司成立于1990年,2008年正式改名为“君创锁业”,是中国较早专注于铅封锁具和仓储物流终端产品研发的制造企业之一。自成立以来,发挥行业作用,为封条行业以及仓储物流产业、中国智慧物流发展做出了不菲的贡献。
企业自建厂房占地面积二万多平方米,设备460多台,员工300余名,有高水准的研发团队及高素质的员工队伍。集仪表铅封、一次性封条、高保封、电子铅封、塑料扎带、GPS定位封、周转箱等产品的研发、设计、生产、销售为一体。 经过十多年的发展,已成为规模与影响力的仓储物流终端产品的综合提供企业,企业年产值连续4年2亿元以上。
公司是中国石油、中国海油、中国石化的合格供货商;是国家电网、南方电网的常年供应商;是中铁快运、顺丰快递、京东物流等物流企业的重要合作伙伴。产品适用于铁路、航空、港口、电力、石油、化工、邮政、通信、制药等行业领域。服务网络覆盖至全球市场。 在新老客户中树立了良好的声誉,达成了长期稳定的合作关系。
鲁公网安备 37142302000145号